image

High Performance Compounded Plastic Resins To Meet Your Needs

We have More than 40 years of proven success in developing and commercializing innovative advanced plastic materials, high-performance composites, and novel nano-composites to meet the most demanding material requirements
image image image image image

Compounded Plastic Resins

We have the compounding capacity and capability to supply your needs for plastic resins, including
  • Polyolefins, HDPE, PP, etc.
  • Nylon 6, nylon 66, nylon 12, high temperature nylons, transparent nylons, etc.
  • PET, PBT, and their blends
  • ABS and its blends
  • Polycarbonate and blends
  • High temperature engineering plastics: PPE, PEI, polysulfone, PES, PPS, PEEK, etc. 
The compounded resins can be further modified to have one or more of the following features
  • Super-tough impact resistance or extremely low temperature impact resistance 
  • Super-high heat aging resistance
  • Low frictional requirements and/or abrasion resistance
  • Super-high strength and stiffness with glass fiber up to 65% and still retaining excellent mold flow capability
  • Improved barrier properties, such as moisture, oxygen, etc
  • Various glass and mineral fillers
  • Improved MDO film stretching characteristics
  • Improved creep resistance and/or fatigue resistance
  • Optimized resin characteristics for improving plastic sheet co-extrusion
  • Improved mold flow for thin wall applications
  • Halogenated or halogen-free flame retarded resins
  • Improved molding cycle time
  • Improved mold release and surface finishes
We can custom design and develop the plastic resins to meet your needs. Please contact us for any questions or inquiries
image image

Performance Improvements Through Resin Modifications

In general, unmodified plastic resins directly from the reactor have limited real-world applications beyond basic commodity films and sheet extrusion. However, their performance can be significantly enhanced through compounding - by blending the neat plastic resin with other resins, additives, and reinforcements. 

For example, most engineering plastics such as nylon, PET, and PBT resins lack sufficient heat-aging resistance for demanding under-the-hood automotive applications. While heat stabilizers or antioxidants can offer some improvement, substantial gains are achieved by blending these resins with other polymers using carefully selected resin systems and advanced compounding techniques.

We bring over 40 years of proven success in developing and commercializing thermoplastic resins - from commodity polyolefins to engineering and high performance plastics - for automotive, consumer and defense market applications. To support both production and innovation, we operate a full-scale 60 mm compounding line, as well as a  27 mm laboratory line dedicated to new resin development. 
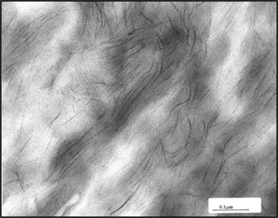
TEM Picture Of The Reactive Blend Of Two Immiscible Polymers with the dispersion particle size below 1.0 um
image
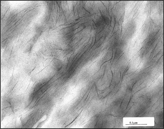
TEM Picture of the well-dispersed compatible blend of two immiscible polymers with a particle size of about 1.0 um

Optimum Dispersion Of Advanced Nano-Composites

TEM Picture Of Poorly-Dispersed Nanoclay in Nylon 6 image TEM Picture Of Well-Dispersed Nanoclay in Nylon 6 image
Nano-composite materials have long been recognized for their  potential to deliver outstanding mechanical and physical performance in thermoplastic resin applications. However, over the past two decades, their commercialization has largely stagnated. Most nanocomposite products on the market today offer only marginal improvements in mechanical properties. One of the primary challenges in commercializing nanocomposites is the difficulty of achieving effective dispersion within plastic resins. Common nanofillers such as carbon nanotubes (CNT's), graphene, and nanoclays tend to form agglomerates or tightly bonded layered structures, making it difficult to achieve the desired fully exfoliated morphology.

For instance, typical commercially available 4% multi-wall carbon nanotube (MWCNT) composites exhibit low ductility (i.e, low elongation at break). In contrast, FPP has demonstrated that a fully exfoliated CNT composite can achieve significantly higher mechanical strength along with excellent ductility. This shows that well-dispersed nanocomposites can simultaneously enhance strength, stiffness, and ductility. FPP has extensive experience in dispersing nanocomposites into various thermoplastic resins to achieve full exfoliation of individual nanolayers. We accomplish this through advanced processing techniques, chemical modification, and the use of dispersion aids. Our novel technical capabilities enable the development of high-performance, lightweight nanocomposite materials for demanding applications. 

Would you like more information About Our Compounded Resins For Your needs? Contact Us For questions and inquiries please email info@frontierpolymer.com